选择语言
摘要:近年来新能源装机容量迅速增加,随着大规模分布式光伏和储能装机并网,10kV及以下配电网也经历着越来越严峻的考验。分布式光伏、工商业储能和电动汽车充电桩构成的新型电力系统正在不断冲击传统配电网的运行方式。为了促进新型电力系统下城镇和农村配电网络的健康可靠运行,2025年6月1日实施的GB/T 45418-2025《配电网通用技术导则》(以下简称导则)为新型配电网建设提供了标准规范。
1 新型配电网对新能源建设的要求
10kV配电网属于负荷侧,主要用于为工商业用户和大型公共设施供电。导则规定了10kV及以下交流配电网在规划、网架结构与设备、建设与改造、运维检修、新能源接入、二次系统等方面的技术要求,适用于城镇、农村等地区配电网规划、建设、改造和运维。此外,导则对配电网适应新型电力系统做了要求,核心目的保障配电网可靠供电、提升清洁能源接纳能力、适应多元负荷需求,推动配电网智能化、绿色化发展。
导则对分布式电源并网要求:“9.3.2 分布式电源并网功率控制、电压和频率的适应性、防孤岛保护等应符合 GB/T33593的规定,通过三相接入配电网的分布式电源应具备功率控制和高、低电压穿越能力。电化学储能装置接入配电网应符合 GB/T36547的规定。”
对新能源消纳的要求:“9.3.4 分布式电源应就近接入配电网。当配电网承载力不足时,宜采取必要的适应性改造措施,提高分布式电源就地消纳能力。”
对电动汽车充换电设施的要求:“9.4.6 电动汽车充电设施宜具备有序充电功能,充换电设施宜具备双向交换电能、车网互动等支持配电网功率调节的功能。”
对二次系统的要求:“10.1.5 配电网二次系统建设应满足分布式电源、储能装置以及电动汽车充换电设施等接入和协调控制需求。”

图1 GB/T 45418-2025《配电网通用技术导则》2025年6月1日实施
2 安科瑞新能源配套软硬件一体化方案
安科瑞为新能源工程包括分布式光伏、储能、充电站提供软硬件一体化解决方案,图2为一个包含分布式光伏、储能、汽车充电站和传统用电负荷组成的新型10kV配电网,由10kV开闭所、10kV并网分布式光伏系统、10kV并网储能系统、电动汽车充电站以及其它负荷组成。安科瑞提供的解决方案包括:
l 10kV分布式光伏和储能系统防孤岛保护、电能质量监测、防逆流控制以及新能源并网的数据安全和调度对接;
l 交直流充电桩以及有序充电解决方案;
l 10kV配电网继电保护、箱变测控、故障诊断以及电气监控;
l 通过“云-边-端”协同为新能源站点提供新能源消纳、防逆流控制等多种能源使用策略;
l 提供1+N运维管理方案:1套云平台,N个新能源场站运维管理。
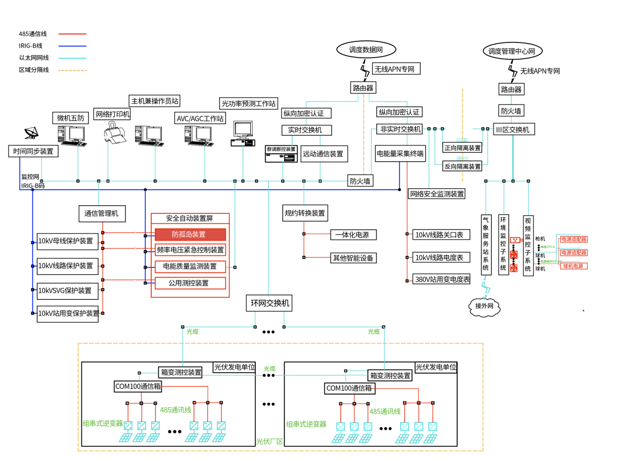
图2 包含分布式光伏、储能、充电桩的10kV配电系统
2.1 分布式光伏解决方案
10kV线路接入的光伏电站容量范围通常在400kW~6MW,安科瑞Acrel-1000DP分布式光伏发电监控系统,可兼容国产麒麟操作系统,采集现场逆变器、箱变测控装置、防孤岛保护、防逆流控制装置、计量仪表、电能质量在线监测装置、直流屏等设备数据,本地实时显示和报警,提供远程遥控操作和调节,并具备光功率预测、有功/无功功率控制、频率电压紧急控制等功能,此外,系统配置网络安全监测、横向隔离、纵向加密认证装置以满足电网数据安全要求,数据上传调度系统以满足并网要求,为用户提供分布式光伏监控和并网方案,保障光伏电站运行稳定可靠性。
图3 分布式光伏电站综合自动化系统结构
光伏监控系统需要使用相关保护、测控、稳控、分析及数据安全和通讯设备,典型的分布式光伏电站并网系统需要用到的二次设备如下表所示。
|
设备名称 |
图片 |
型号 |
功能 |
|
安全自动装置屏 |
|
AM5SE-IS防孤岛/防逆流保护装置 |
安装在并网柜,当外部电网停电后跳开并网断路器,断开分布式电源和电网连接;当安装在公共连接点时具备防逆流监测和保护功能 |
|
|
APView500PV电能质量在线监测装置 |
安装在并网柜,对光伏发电侧侧电能质量进行监测,主要包括:电压偏差、频率偏差、2-63次谐波、0.2-62.5次间谐波、直流分量、电压波动、电压闪变等稳态数据;电压暂降、电压暂升、短时中断。 |
|
|
|
AM6-FE频率电压紧急控制装置 |
实现低周减载、低频解列、过负荷联切等功能,保障电网稳定。 |
|
|
远动通讯屏 |
/ |
多合一数据加密采集装置 |
提供AGC/AVC、数据采集、数据加密、远动及无线通讯,与调度进行数据对接 |
|
|
ANet-4E16S远动装置 |
数据通过104协议上传调度 |
|
|
/ |
以太网交换机 |
本地数据的通讯组网 |
|
|
/ |
北斗对时时钟 |
按照用户输出符合规约的信息格式,完成同步授时服务 |
|
|
分散安装 保护测控装置 |
|
AM5SE-C SVG保护装置 |
具有两段式定时限过流保护,反时限保护,欠电压保护,过电压保护等功能对电容器进行保护 |
|
AM5SE-F线路保护测控装置 |
具有三段式过流保护,重合闸,过负荷告警、跳闸,过电压告警、跳闸等功能对线路进行保护 |
||
|
AM5SE-T升压变保护测控装置 |
具有三段式过流保护,两段零序过流保护,过负荷保护,高温超温保护,瓦斯保护等保护功能 |
2.2 储能系统解决方案
根据GB/T 36547《电化学储能系统接入电网技术规定》要求,10kV并网的储能系统容量在500kW~5MW范围内,储能系统的微机保护配置要求:储能电站并网点配置AM5-IS防孤岛保护,非计划孤岛时应在2s动作,将储能电站与电网断开。
储能系统应具备直流绝缘监测功能,如果BMS或者PCS不具备绝缘监测功能需单独配置直流绝缘监测装置。
通过10kV接入公用电网的储能系统电能质量宜满足GB/T19862要求的电能质量监测装置,并网点配置电能质量在线监测装置。
Acrel-2000MG微电网能量管理系统具有完善的电池管理功能和丰富的外部通信接口,可实现对储能系统、充电系统、光伏系统等智能设备的运行信息实时监控,包括对储能系统内电压、电流、温度、压力、流量等信息采集、实时监视、优化管理、智能维护及信息查询功能。具备新能源消纳、峰谷套利、防逆流、需量控制、柔性扩容、限电模式等多种控制策略,保障储能系统安全稳定、智能运行。
|
设备名称 |
图片 |
型号 |
功能 |
|
防孤岛/防逆流保护装置 |
|
AM5SE-IS防孤岛/防逆流保护装置 |
安装在并网柜,当外部电网停电后跳开并网断路器,断开分布式电源和电网连接;当安装在公共连接点时具备防逆流监测和保护功能 |
|
电能质量监测装置 |
|
APView400电能质量监测装置 |
对并网柜电能质量进行监测,主要包括:电压偏差、频率偏差、2-63次谐波、0.2-62.5次间谐波、电压波动、电压闪变等稳态数据;直流分量、短时中断;电压瞬态、电流瞬态。 |
|
智能仪表 |
|
APM520 |
具有全电量测量,谐波畸变率、电压合格率统计、分时电能统计,开关量输入输出,模拟量输入输出。 |
|
直流电能表 |
|
DJSF1352-RN |
可测量直流系统中的电压、电流、功率以及正反向电能等,配套霍尔传感器(可选)。 |
|
霍尔传感器 |
|
AHKC-EKA |
测量DC0~(5-500)A电流,输出DC4-20mA,工作电源DC12/24V。 |
|
直流绝缘监测 |
|
AIM-D100-TH |
监测直流系统绝缘状况 |
|
智能网关 |
|
ANet-2E4SM |
边缘计算网关,嵌入式linux系统,网络通讯方式具备Socket方式,支持XML格式压缩上传,提供AES加密及MD5身份认证等安全需求,支持断点续传,支持Modbus、ModbusTCP、DL/T645-1997、DL/T645-2007、101、103、104协议 |
|
储能控制单元 |
|
ANet-ESCU |
适用于储能一体柜(箱)的EMS装置,可用于磷酸铁锂电池、全钒液流电池等储能本体,对接电池管理系统(BMS)、储能逆变器(PCS)、电量计量、动力环境、消防储能柜内数据的统一采集、存储。其具备监视控制、能量协调、联动保护、经济优化增效等功能。 |
|
协调控制器 |
|
ACCU-100 |
具备智能网关数据采集、协议转换、存储等功能之外,还具备新能源的使用策略控制功能,可以按照预设的逻辑控制光伏出力、储能充/放电、充电桩充电控制以及负荷调节等功能,并与云端平台进行交互,响应云端策略配置。 |
|
储能柜能量 管理系统 |
Acrel-2000ES |
针对0.4kV分布式储能柜的能量管理,包括充放电策略控制、运行状态监测、电池信息管理以及故障报警。 |
|
|
微电网能量 管理系统 |
Acrel-2000MG |
对企业微电网的源(市电、分布式光伏、微型风机)、网(企业内部配电网)、荷(固定负荷和可调负荷)、储能系统、新能源汽车充电负荷进行有序管理和优化控制,实现不同目标下源网荷储资源之间的灵活互动,增加多策略控制下系统的稳定运行。 |
|
2.2 有序充电解决方案
安科瑞APSMS充电运营管理平台是基于物联网和大数据技术的有序充电管理系统,可以实现对企业变压器负荷率、负荷需求结合充电桩的监控、调度和管理,通过能源策略控制和峰谷价格引导机制实现有序充电,提高充电桩的利用率和充电效率。
|
名称 |
图片 |
型号 |
功能 |
|
充电堆 |
|
AEV200-DC240M |
分体式直流充电柜采用为一柜四桩设计,单桩至大充电功率240kW,充电电压150V-1000V,单桩至大电流250A |
|
直流充电桩 |
|
AEV200-DC160S |
双枪,输入电压380V,至大充电功率160kW |
|
|
|
||
|
AEV200-DC120S |
双枪,输入电压380V,至大充电功率120kW |
||
|
AEV200-DC120D |
单枪,输入电压380V,至大充电功率120kW |
||
|
|
|
||
|
AEV200-DC080D |
单枪,输入电压380V,至大充电功率80kW |
||
|
AEV200-DC060D |
双枪,输入电压380V,至大充电功率60kW |
||
|
|
|
||
|
|
AEV200-DC040D |
单枪,输入电压380V,至大充电功率40kW |
|
|
AEV200-DC030D |
单枪,输入电压380V,至大充电功率30kW |
||
|
交流充电桩 |
|
AEV200-AC007D |
单枪,输入电压220V,至大充电功率7kW |
3 AcrelEMS3.0智慧能源管理平台
AcrelEMS3.0智慧能源管理平台采用B/S架构,满足分布式电源、储能装置以及电动汽车充换电设施等接入和协调控制需求。平台采用“1+N”设计,可以接入数量众多的新能源场站数据,将分布式电源、储能系统、可控负荷、电动汽车充电桩聚合在一起,结合发电预测、负荷预测、电价波动、电网调度指令等情况,灵活调整微电网控制策略并下发给储能、可调负荷等系统,采用“云-边-端”协同策略控制,保障配电网稳定运行。
图4 AcrelEMS3.0智慧能源管理平台云边端策略协同
终端设备控制策略是现场设备在并网、离网状态下的运行策略,包括有功功率/无功功率控制、电压/频率控制、至大功率追踪、虚拟同步发电机惯量模拟等多种策略,由储能变流器、光伏逆变器、充电桩等设备提供;
边端协调控制策略是本地ACCU-100协调控制器或Acrel-2000MG能量管理系统执行的能源策略,包括新能源消纳、防逆流控制、峰谷套利、柔性扩容、需量控制、限电模式等等,这些策略可以在本地执行;
云端优化控制策略是AcrelEMS3.0平台基于发电预测、负荷预测、电价波动以及虚拟电厂平台的调度指令而做出的策略优化,这些策略下发给本地协调控制器或能量管理系统来执行。
AcrelEMS3.0智慧能源管理平台主要包含以下功能:
图5 AcrelEMS3.0智慧能源管理平台功能界面
l 综合监控:实现配电网配电室、光伏系统、储能系统、负荷、充电桩、环境数据的采集、监测、可视化展示、异常告警、事件查询、报表统计等功能;
l 智能控制:协同光伏、储能、负载等多种能源主体,动态规划智能策略,实现储能、光伏协调控制,比如计划曲线、削峰填谷、防逆流、新能源消纳、需量控制等;
l 能源分析:具备微电网能耗及效益分析、微电网经济运行分析、多维度电量分析,并进行日、月、年能源报表统计;
l 功率预测:以历史光伏输出功率和历史数值天气数据为基础,结合数值天气预报数据和光伏发电单元的地理位置,采用深度学习算法建立预测模型库,实现光伏发电的短时和超短时功率预测,并经进行误差分析;同时对微电网内所有负荷,基于历史负荷数据,通过大数据分析算法,预测负荷功率曲线。
l 优化调度:根据分布式能源发电预测、负荷预测结果,并结合分时电价、电网交互功率及储能约束条件等因素,以用电成本低或碳排放低为目标,建立优化模型,采用深度学习算法解析微电网运行功率计划,系统通过将功率计划进行分解,实现对光伏、储能、充电桩的优化控制。