选择语言
< 返回主菜单

产品中心

ADW400环保监测模块
ADW400环保监测模块主要用于计量低压网络的三相有功电能,同时可选择四个回路的电流输入,具有RS485通讯和470MHz无线通讯功能,方便用户进行用电监测、集抄和管理。可灵活安装于配电箱内,实现对不同区域和不同负荷的分项电能计量,统计和分析。
  • 应用范围:

    ADW400方便用户进行用电监测、集抄和管理,特别适合环保监管类的厂区智能监管改造项目,可广泛应用于化工厂、制药厂、钢铁厂、养殖厂等产污制污的工厂。

    订货范例:

    具体型号:ADW400-D16--4SX

    技术要求:3×1.5(6)A、3×20(100)A、 3×40(200)A、3×80(400)A、3×120(600)A

    通讯协议:RS485通讯;红外通讯;470MHz无线传输

  • ADW400尺寸图:

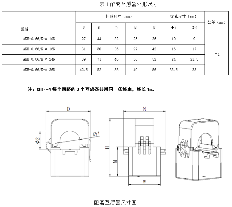
    配套互感器外形尺寸: