首页
关于我们
企业简介
资质荣誉
发展历程
服务承诺
产品中心
系统解决方案
AcrelEMS企业微电网能效管理平台
Acrel-1000变电站综合自动化系统
Acrel-1000DP分布式光伏监控系统
Acrel-2000电力监控系统
Acrel-2000E配电室综合监控系统
Acrel-2000MG微电网能量管理系统
Acrel-5000能耗管理系统
Acrel-3000电能管理系统
Acrel-2000M马达保护监控系统
智能照明系统
Acrel-2000ES储能能量管理系统
能源物联网云平台
Acrel-EIoT能源物联网云平台
AcrelCloud-1000变电所运维云平台
AcrelCloud-1200分布式光伏运维云平台
AcrelCloud-5000建筑能耗云平台
Acrel-7000企业能源管控平台
AcrelCloud-3200水电预付费云平台
AcrelCloud-3100高校宿舍预付费系统
AcrelCloud-9000充电桩收费运营云平台
AcrelCloud-6000安全用电管理云平台
AcrelCloud-3000环保用电监管云平台
电力监控与保护
AM系列微机保护装置
ARB系列弧光保护装置
APView电能质量在线监测装置
ASD系列开关柜综合测控装置
APD系列局部放电监控装置
ACTB系列电流互感器过电压保护器
ARTM系列电气接点在线测温装置
WHD系列智能型温湿度控制器
ARD系列智能电动机保护器
ALP智能保护装置
ASJ系列智能电力继电器
ARTU单元
PZ系列可编程智能电测仪表
AMC系列可编程电测仪表
电能管理
ACR系列网络电力仪表
APM系列网络电力仪表
AEM系列电能计量表
DDS/DTS/ADL系列电能计量表
ADL系列外置互感器导轨式多功能电能表
DDSY/DTSY系列预付费表
ADF400L系列多用户电能表
DDSY1352-xDM系列宿舍用电管理终端
ADW系列电力物联网仪表
DJSF1352系列直流电能表
电能质量治理
ANAPF有源电力滤波器
ANHPD系列谐波保护器
ANSNP中线安防保护器
AVSVG静止无功发生器
ANSVG-G-A谐波补偿装置
AZC系列智能电力电容补偿装置
AZCL智能集成式谐波抑制电力电容补偿装置
AZCL(J)智能集成式谐波抑制电力电容补偿装置
AFK投切开关
ARC系列功率因数补偿控制器
ANBSMJ系列自愈式低压并联电容器
ANCK系列串联电抗器
电气安全
电气火灾监控系统
消防设备电源监控系统
防火门监控系统
余压监控系统
消防应急照明和疏散指示系统
医用隔离电源绝缘监测装置
工业用绝缘监测装置
ASCP系列电气防火限流式保护器
直流用绝缘监测装置
AISD系列智能安全配电装置
AAFD故障电弧探测器
AESP100系列末端多回路智慧用电在线监测装置
ASCB1系列智能微型断路器
新能源
AGF系列智能光伏采集装置
ACX系列电瓶车智能充电桩
AEV系列汽车充电桩
ACR10R系列逆流检测仪表
数据中心/铁塔基站
AMC系列精密配电监控装置
AMB系列智能母线监控装置
铁塔基站多回路计量装置
ABAT100系列蓄电池在线监测装置
智能照明
智能照明控制系统
智能网关
ANet系列智能通信管理机
AWT系列无线通信终端
电量传感器
AKH-0.66系列电流互感器
霍尔传感器
BR系列罗氏线圈电流变送器
BA系列交流电流传感器
智能型BA系列电流传感器
BM200系列隔离式安全栅
BM100系列信号隔离器
BM100-K系列开关量输入信号隔离器
BD100系列电量变送器
ARU系列浪涌保护器
ARUH系列低压浪涌保护器保护装置
云平台
能源物联网云平台
变电所运维云平台
分布式光伏运维云平台
建筑能耗云平台
企业能源管控平台
水电预付费云平台
高校宿舍预付费系统
充电桩收费运营云平台
安全用电管理云平台
环保用电监管云平台
解决方案
AcrelEMS 3.0智慧能源管理平台
微电网能量管理系统
EMS能效管理
行业方案
智慧消防
数据中心
工程案例
工矿企业
建筑楼宇
石油化工
市政工程
教育医疗
酒店公寓
交通运输
行业解决方案
新闻中心
联系我们
在线购买
京东商城
阿里巴巴
选择语言
在线咨询
< 返回主菜单
EN
公共建筑能效管理事业部
首页
关于我们
企业简介
资质荣誉
发展历程
服务承诺
产品中心
系统解决方案
能源物联网云平台
电力监控与保护
电能管理
电能质量治理
电气安全
新能源
数据中心/铁塔基站
智能照明
智能网关
电量传感器
云平台
能源物联网云平台
变电所运维云平台
分布式光伏运维云平台
建筑能耗云平台
企业能源管控平台
水电预付费云平台
高校宿舍预付费系统
充电桩收费运营云平台
安全用电管理云平台
环保用电监管云平台
解决方案
AcrelEMS 3.0智慧能源管理平台
微电网能量管理系统
EMS能效管理
行业方案
智慧消防
数据中心
工程案例
工矿企业
建筑楼宇
石油化工
市政工程
教育医疗
酒店公寓
交通运输
行业解决方案
新闻中心
联系我们
18795630583
在线购买
京东商城
阿里巴巴
产品中心
系统解决方案
AcrelEMS企业微电网能效管理平台
Acrel-1000变电站综合自动化系统
Acrel-1000DP分布式光伏监控系统
Acrel-2000电力监控系统
Acrel-2000E配电室综合监控系统
Acrel-2000MG微电网能量管理系统
Acrel-5000能耗管理系统
Acrel-3000电能管理系统
Acrel-2000M马达保护监控系统
智能照明系统
Acrel-2000ES储能能量管理系统
能源物联网云平台
Acrel-EIoT能源物联网云平台
AcrelCloud-1000变电所运维云平台
AcrelCloud-1200分布式光伏运维云平台
AcrelCloud-5000建筑能耗云平台
Acrel-7000企业能源管控平台
AcrelCloud-3200水电预付费云平台
AcrelCloud-3100高校宿舍预付费系统
AcrelCloud-9000充电桩收费运营云平台
AcrelCloud-6000安全用电管理云平台
AcrelCloud-3000环保用电监管云平台
电力监控与保护
AM系列微机保护装置
ARB系列弧光保护装置
APView电能质量在线监测装置
ASD系列开关柜综合测控装置
APD系列局部放电监控装置
ACTB系列电流互感器过电压保护器
ARTM系列电气接点在线测温装置
WHD系列智能型温湿度控制器
ARD系列智能电动机保护器
ALP智能保护装置
ASJ系列智能电力继电器
ARTU单元
PZ系列可编程智能电测仪表
AMC系列可编程电测仪表
电能管理
ACR系列网络电力仪表
APM系列网络电力仪表
AEM系列电能计量表
DDS/DTS/ADL系列电能计量表
ADL系列外置互感器导轨式多功能电能表
DDSY/DTSY系列预付费表
ADF400L系列多用户电能表
DDSY1352-xDM系列宿舍用电管理终端
ADW系列电力物联网仪表
DJSF1352系列直流电能表
电能质量治理
ANAPF有源电力滤波器
ANHPD系列谐波保护器
ANSNP中线安防保护器
AVSVG静止无功发生器
ANSVG-G-A谐波补偿装置
AZC系列智能电力电容补偿装置
AZCL智能集成式谐波抑制电力电容补偿装置
AZCL(J)智能集成式谐波抑制电力电容补偿装置
AFK投切开关
ARC系列功率因数补偿控制器
ANBSMJ系列自愈式低压并联电容器
ANCK系列串联电抗器
电气安全
电气火灾监控系统
消防设备电源监控系统
防火门监控系统
余压监控系统
消防应急照明和疏散指示系统
医用隔离电源绝缘监测装置
工业用绝缘监测装置
ASCP系列电气防火限流式保护器
直流用绝缘监测装置
AISD系列智能安全配电装置
AAFD故障电弧探测器
AESP100系列末端多回路智慧用电在线监测装置
ASCB1系列智能微型断路器
新能源
AGF系列智能光伏采集装置
ACX系列电瓶车智能充电桩
AEV系列汽车充电桩
ACR10R系列逆流检测仪表
数据中心/铁塔基站
AMC系列精密配电监控装置
AMB系列智能母线监控装置
铁塔基站多回路计量装置
ABAT100系列蓄电池在线监测装置
智能照明
智能照明控制系统
智能网关
ANet系列智能通信管理机
AWT系列无线通信终端
电量传感器
AKH-0.66系列电流互感器
霍尔传感器
BR系列罗氏线圈电流变送器
BA系列交流电流传感器
智能型BA系列电流传感器
BM200系列隔离式安全栅
BM100系列信号隔离器
BM100-K系列开关量输入信号隔离器
BD100系列电量变送器
ARU系列浪涌保护器
ARUH系列低压浪涌保护器保护装置
AZC系列智能电力电容补偿装置
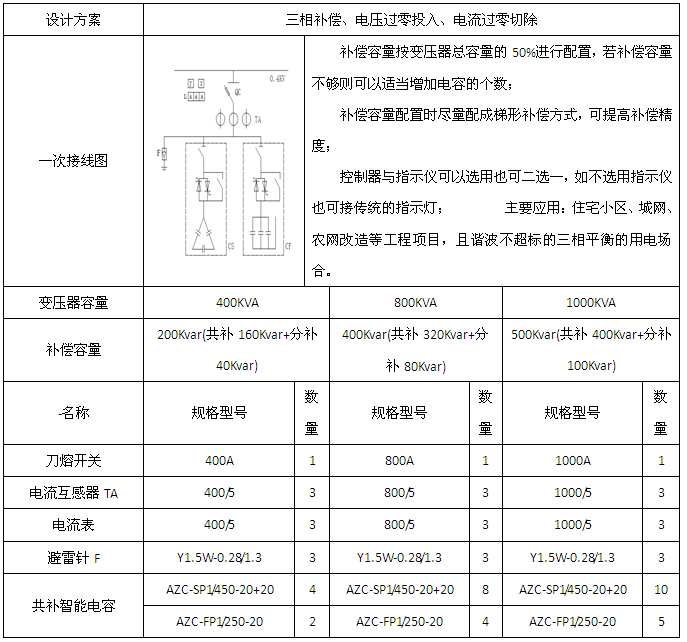
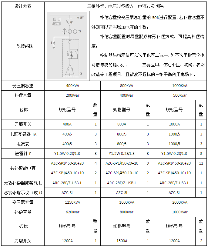
AZC系列智能电力电容补偿装置由智能测控单元、投切开关、线路保护单元、低压电力电容器等构成,改变了传统无功补偿装置体积庞大和笨重的结构模式,是用于节省能源、降低线损、提高功率因数和电能质量的新一代无功补偿设备。
产品简介
技术参数
产品选型
外形尺寸
产品报价
应用范围:
应用于0.4kV、50Hz低压配电系统。
订货范例:
具体型号:AZC-SP1/450-10+10
技术要求:共补
通讯协议:无
辅助电源:无
1、变压器容量为400/800/1000/1250/1600/2000KVA的三相补偿应用方案。
2、变压器容量为400/800/1000/1250/1600/2000KVA的单相、三相混合补偿应用方案。
上一篇:
ANSVG-G-A混合动态滤波补偿装置
下一篇:
AZCL智能谐波抑制电容补偿装置
0
2853866735
18795630583